
建筑占地面积:8.9米×10.14米;
建筑层数:三层;
建筑高度:10米(不含屋顶);
设计功能:

一层:客厅、卫生间、车库、厨房、餐厅、楼梯间;

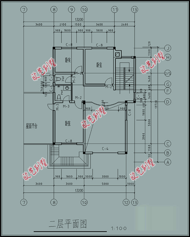
二层:楼梯间、起居室、卧室、卫生间、卧室、卧室(附阳台);

三层:露台、露台、卫生间、楼梯间、卧室;
图纸目录:效果图、建筑设计说明、一层平面图、二层平面图、三层平面图、屋面平面图、西立面图、北立面图、南立面图、1-1剖面图、基础平面图、结构设计说明、屋顶梁板平法施工图、楼梯配筋图、二层板平法施工图、三层板平法施工图、二层梁平法施工图、三层梁平法施工图;
1.本农村房屋设计通用图结构体系为三层砖混结构,占地面积:90平方米,建筑面积:240平方米。
2.本工程所注一层室内地坪标高为正负0.000。
3.图中所注尺寸除标高以米为单位,其余均以毫米为单位。
4.本设计不含二次装修,二次装修设计方案与设计单位协商确定后方可进行实施。
5.砌体材料均用烧结粘土空心砖。
6.窗台高度不足900处, 在窗台内侧设防护栏杆,防护栏杆净高1050mm,竖杆净距≤110mm,样式由甲方自定。
7.本工程建筑类别性质为三类民用建筑,设计安全等级为二级,建筑物耐火等级为二级,屋面防水等级为III级,抗震烈度少于6度,建筑设计使用年限为50年。
8.地面做法:20厚1:2水泥砂浆面,70厚C15素砼垫层,80厚卵石垫层,素土夯实。
9.散水做法:600宽60厚C15细石砼加浆随捣随抹(5%坡,)80厚卵石垫层,素土夯实。散水每隔6M设分仓缝,分仓缝之间,散水与墙体交接处均嵌油膏。
10:楼面做法:现浇板楼板上基层处理后,纯浆套浆20厚1:3水泥砂浆随捣随抹。
11.卫生间做法:现浇钢筋混凝土楼板,20厚1:2.5防水砂浆拉毛,花色瓷砖贴面。
12.天棚做法:板底基层处理后,15厚水泥纸筋灰分层抹平,2厚纸筋灰光面,106涂料刷白。
13.檐沟做法:分水线纵坡1% ,防水涂料,20厚1:2水泥砂浆掺5%防水剂,C15细石混凝土找坡。
14.门窗工程:门为胶合板门。窗均为铝合金窗,采用银灰色框、白色玻璃。
15.凡建筑室内阳角均设2000高、50宽、1:2水泥砂浆护角。


